• DETAIL8143
  • DETAIL8144

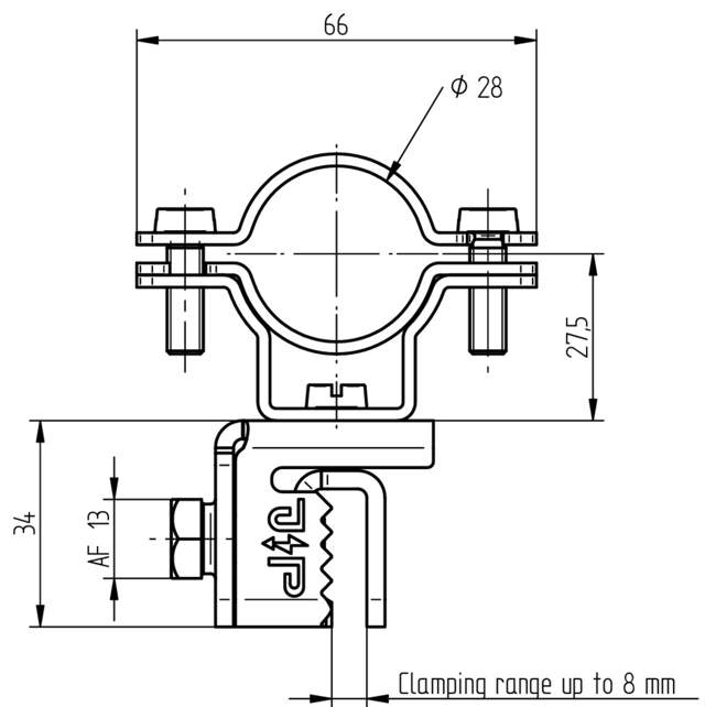
Takfeste V2A for HVC-85 Ø28mm

ELIT TAKFEST-HVC85-Ø28MM
Varenummer:
40150166
EAN:
7070810034116
Takfeste i rustfritt stål til HVC-85 (Ø28mm) leder
  • HVC-taklederholder i henhold til EN 62561-4 for montering av HVC-leder på tak
  • Produsert i rustfritt stål | V2A
  • Klemmeområde: opptil 8 mm
Ved å klikke på "Godta alle" samtykker du til at vi kan samle inn informasjon om deg for ulike formål, inkludert: Funksjonalitet, Statistikk og Markedsføring