Veggfeste enkel m/avstand 55mm Guardian mast Ø80-85mm
ELIT ENKEL-VEGGF-V2A-80-85MM- Varenummer:
- 40150217
- EAN:
- 7070810038695
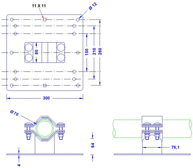
- Veggfeste i rustfritt stål for Guardian mast Ø70-80mm med lengde opp til 12m
-
- Veggfeste av rustfritt stål for Guardian mast Ø70-80 mm
- Veggavstand 64 mm
- Beregnet for master opptil 12,0 m lengde
Veggfeste av rustfritt stål for Guardian mast Ø70-80 mm. Veggavstand 64 mm. Beregnet for master opptil 12,0 m lengde. Instruksjoner for montering på betongvegger: For installasjon, bore 4 x 12 mm hull i betongen (min. 80 mm dybde), som tilsvarer de ytre hullene i monteringsplaten. 4 x M10-boltankere settes inn i hullene. Rørklemmen plasseres på boltankerne, og hver skrus fast med en skive og mutter. Boltankerne er IKKE en del av produktet. Totalvekt: 6,7 kg.