Overspenningsvern Mellom T2
ELIT SPD40-2PT2-385V-FM- Varenummer:
- 21110000
- EAN:
- 7070811212490
- El.nr.:
- 1641067
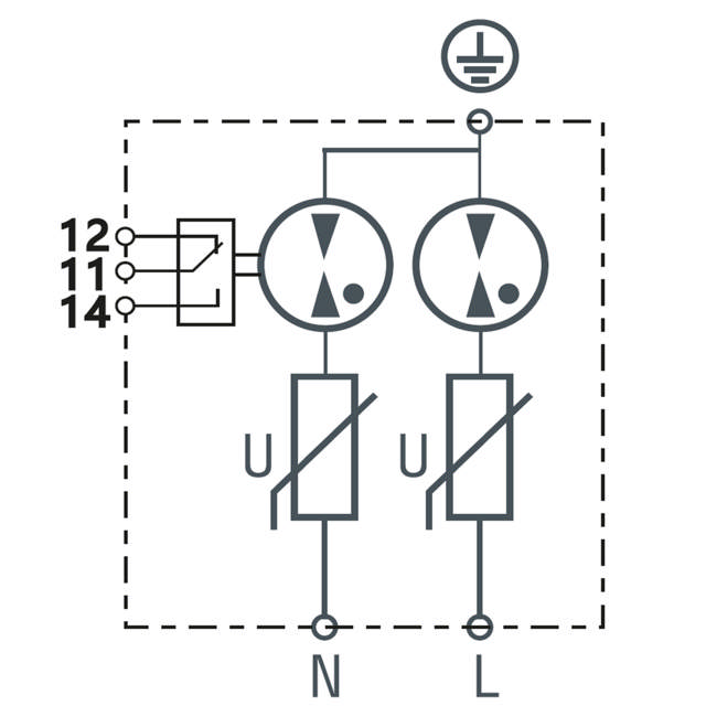
- Overspenningsvern 2-polt T2 med GDT og signalkontakt for IT/TT og TN-nett. Uc 385V.
-
- Klasse II/klasse C overspenningsvern med maks avledning på 40kA 8/20
- Pluggbar design for enkel utskiftning og signalkontakt
- Ingen følgestrøm og ingen lekkasjestrøm
- Kan brukes både på luftstrekk og kabel i bakken
- Store og solide tilkoblingsklemmer
ELIT SPD40-2PT2 er et Type 2 overspenningsvern spesielt designet for lavspent strømforsyningssystem mellom lynbeskyttelsessone 1-3 og høyere. Vernet er laget med VT teknologi med lav restspenningsnivå (Up) sammenlignet med MOV teknologi. Ingen følgestrøm og ingen lekkasjestrøm og intelligent skille mellom nettfrekvensstrøm og overspenningsstrøm for å garantere lang levetid. Utstyrt med potensialfri signalkontakt for varsel om defekte moduler. Visuel visning av vernets status med grønt flagg for OK modul og rødt for defekt modul. Maks utladningsstrøm Imaks ved 8/20 kurve er 40kA, Up <2,0kV og responstid på <100ns. Passer på en standard 35mm DIN skinne. Gode tilkoblingsmuligheter med store og solide tilkoblingsklemmer.