Lynoppfanger med flensplate V4A 8,0 m
ELIT LOF-FLENS-V4A-8M- Varenummer:
- 40150223
- EAN:
- 7070810038848
- Lynoppfanger med flensplate i rustfritt stål V4A 8,0 m
-
- Lynoppfanger 8,0 m av syrefast stål V4A
- Oppfangerspiss av aluminum (Al)
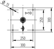
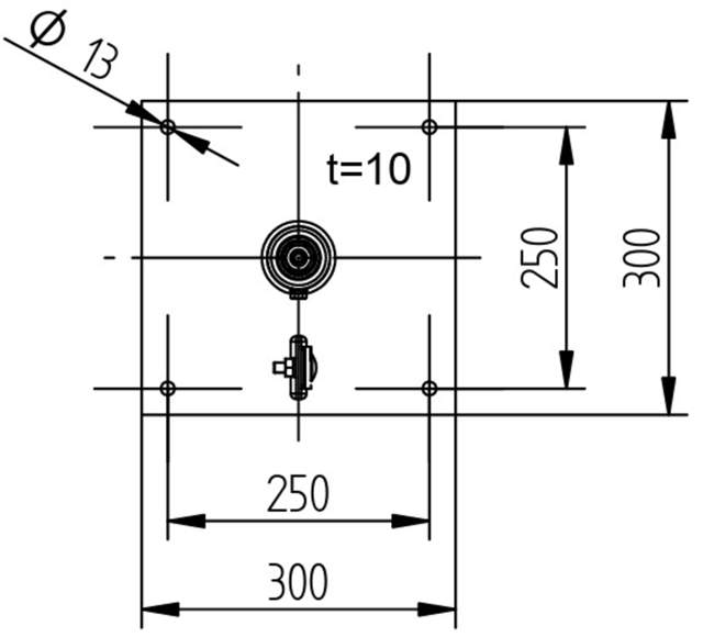
- Beregnet for montering på eksisterende betongoverflater
- Flensplaten har tilkoblingspunkt for nedleder med Ø 8 - 10 mm
- Tåler vindstyrker opp til 25 m/s
- Totalvekt ca. 32 kg
Lynoppfanger 8,0 m med flensplate. Lynoppfangeren er laget av syrefast stål V4A med oppfangerspiss av aluminum (Al), for montering på eksisterende betongoverflater, inkludert kraftige ankere. Lynoppfangeren er avsmalende (Ø 60 - 10 mm), og kommer i 3 deler som monteres sammen med M8 skruer. Flensplaten har tilkoblingspunkt for nedleder med Ø 8 - 10 mm. Totalvekt ca. 32 kg. Tåler vindstyrker opp til 25 m/s.