Skinneklemme for Flexibar 80x50T3-20mm
ELIT FC80X50- Varenummer:
- 20300012
- EAN:
- 7070811205416
- El.nr.:
- 1703104
- Skinneklemme for tilkobling av fleksibel kobberskinne til massiv kobberskinne
-
- Installeres raskt og enkelt
- I samsvar med RoHS
- Kobler fleksible skinner til kobbersamleskinne
- To plater komplett med skruer
- Gir utmerket elektrisk kontakt
- Ideell for modifikasjoner på stedet
Skinneklemme for tilkobling av fleksible skinner til massive kobberskinner. For fleksibel skinnebredde 50mm mot 80mm massiv kobberskinne. Settet består av 2 sinkbelagte stålplater komplett med M8 skruer. Maks skinnetykkelse 20mm.
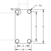
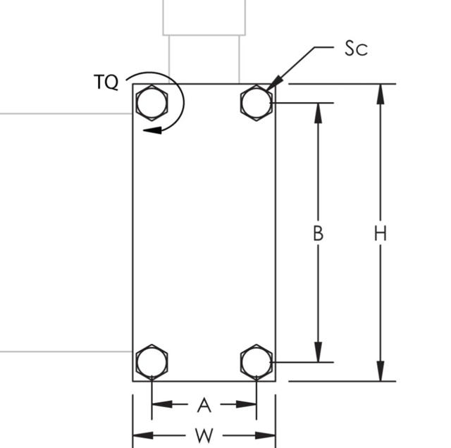
A: 62 mm
B: 90 mm
Skruediameter (Sc): 8 mm
Dreiemoment (TQ): 10 N·m