Skinneklemme for Flexibar 50x40T3-20mm
ELIT FC50X40- Varenummer:
- 20300009
- EAN:
- 7070811203405
- El.nr.:
- 1705563
- FC50x40 Fleksibeltilkob
-
- Installeres raskt og enkelt
- I samsvar med RoHS
- Kobler fleksible skinner til kobbersamleskinne
- To plater komplett med skruer
- Gir utmerket elektrisk kontakt
- Ideell for modifikasjoner på stedet
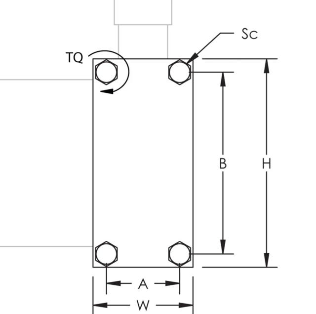
Koblingsplater for tilkobling av fleksibel til kobberskinne. For kobberskinnebredde 50mm mot 40mm fleksibelbredde. Består av to elektrogalvaniserte stålplater komplett med M8 skruer. Maks skinnetykkelse 20mm.