Skinneklemme for Flexibar 50x24T3-20mm
ELIT FC50X24T3-20mm- Varenummer:
- 20300007
- EAN:
- 7070811205386
- El.nr.:
- 1703101
- Skinneklemme for tilkobling av fleksibel kobberskinne til massiv kobberskinne.
-
- Installeres raskt og enkelt
- I samsvar med RoHS
- Kobler fleksible skinner til kobbersamleskinne
- To plater komplett med skruer
- Gir utmerket elektrisk kontakt
- Ideell for modifikasjoner på stedet
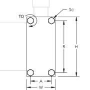
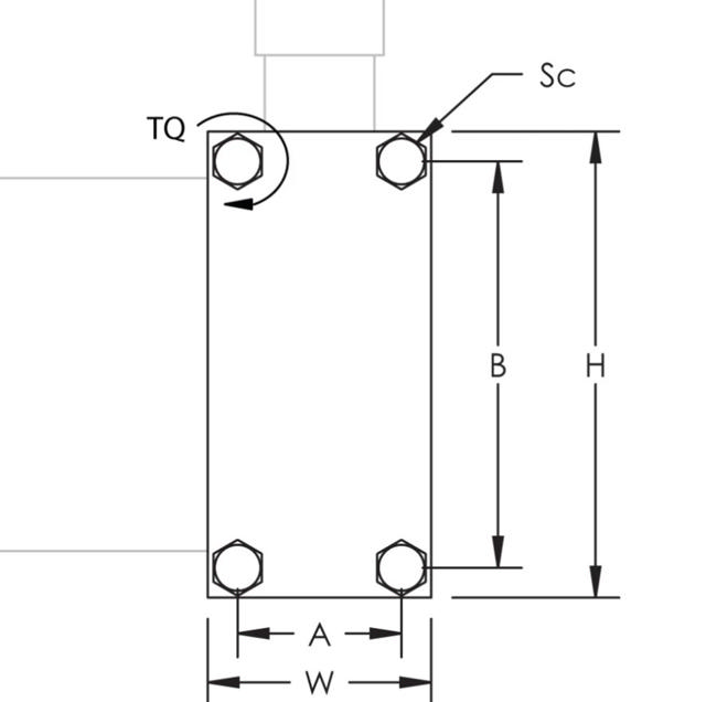
Skinneklemme for tilkobling av fleksible skinner til massive kobberskinner. For fleksibel skinnebredde 24mm mot 50mm massiv kobberskinne. Settet består av to sinkbelagte stålplater komplett med M8 skruer. Maks skinnetykkelse 20mm.
A: 36 mm
B: 60 mm
Skruediameter (Sc): 8
Dreiemoment (TQ): 10 Nm