Skinneklemme i stål 100x100mm med bolter
ELIT BC100- Varenummer:
- 20300027
- EAN:
- 7070811203290
- El.nr.:
- 1705546
- Skinneklemme i stål med forsterkning og komplett boltsett
-
- Installeres raskt og enkelt
- I samsvar med RoHS
- Kobler to kobbersamleskinner sammen eller fleksibler til kobbersamleskinne
- To ribbede plater komplett med skruer
- Gir utmerket elektrisk kontakt
- Ideell for modifikasjoner på stedet
Skinneklemme for maks 100mm skinner. Skinne mot skinne eller skinne mot Eriflex Festebraketter kapasitet: 20 mm. Består av to elektrogalvaniserte stålplater komplett med skruer. I henhold til ROHS 2002/95/EC og ANSI/UL 67.
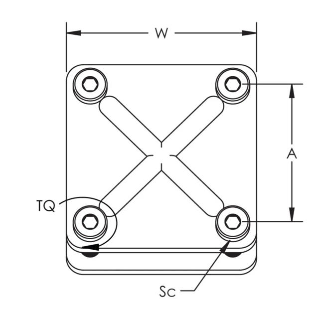
Dimensjoner / Teknisk data:
W = 144 mm
A = 118 mm
Skruediameter (Sc) = 10
Dreiemoment (TQ) = 29,5 Nm