Lynoppfanger 4m m/sideavleder inkl. 2xfester og HVC-instl.
ELIT VEGG-LOFSETT-4M-2F-HVC- Varenummer:
- 40150171
- EAN:
- 7070810034161
- Lynoppfanger i rustfritt A2-stål 4,0m med HVC-flens, 2x monteringsfester og sideavleder 2,0m
-
- Lynoppfanger 4,0m i rustfritt A2-stål og m/sideavleder 1,5m
- Kommer med HVC-flens som muliggjør montering av HVC-ledere
- Komplett sett inklusiv 2 x monteringsfester
Lynoppfangermast 4,0 m lang med sideavleder 1,5 m lang og HVC-flens, inklusiv 2 x monteringsfester.
Materiale og dimensjon for oppfanger: aluminium, Ø 10 mm, 0,2 m lengde.
Materiale og dimensjon for sideoppfanger: A2-stål/aluminium, Ø 20/16/10 mm, 1,5 m lengde.
Materiale og dimensjon for isolerende støtte: Glassfiberforsterket plast, Ø 48 mm, 1,7 m lengde.
Materiale og dimensjon for stativ/mast: Rustfritt A2-stål, Ø 42 mm, 1,9 m lengde.
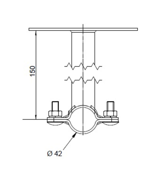
Monteringsfeste: (2 x) Rustfritt A2-stål, Ø42mm klemområde og 150mm lengde.
Produsert ihht. EN IEC 62561-2.
Totalvekt: Ca. 27 kg.