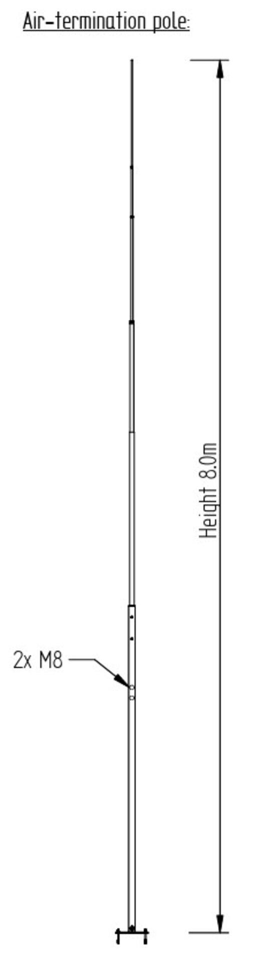
Lynoppfanger V2A ALU 8m, 3-delt med flensplate
ELIT LOPV2A8MFP- Varenummer:
- 40150173
- EAN:
- 7070810034185
- Lynoppfanger med flensplate i rustfritt A2 stål og med lengde 8,0 m
-
- Lynoppfanger 8,0 m av rustfritt stål V2A
- Oppfangerspiss av aluminum (Al)
- Beregnet for montering på eksisterende betongoverflater
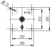
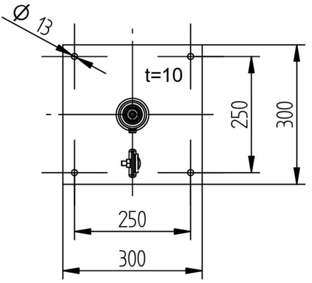
- Flensplaten har tilkoblingspunkt for nedleder med Ø 8 - 10 mm
Flerkomponent-på-hverandre pluggbart system med skruefeste. Med flensplate inkludert kraftige festeanker.
Materiale og dimensjoner: Produsert i rustfritt A2-stål og aluminium, 8,0 meter lang, 3-deler, avsmalende Ø60 - 10 mm.
Flensplaten har tilkoblingspunkt for nedleder med Ø 8 - 10 mm.
Flensplate, dimensjon: 300 x 300 mm.
Flensplate, hullmønster: 250 x 250 mm.
Hull: 4 x Ø13 mm.
Kraftige skrueankere: 4 x M12
Totalvekt: 32 kg.