Lynoppfanger V2A ALU 6m, 3-delt med flensplate
ELIT LOPV2A6MFP- Varenummer:
- 40150148
- EAN:
- 7070810033935
- Lynoppfanger i rustfritt A2-stål og aluminium 6,0 m med flensplate og kraftige skrueankere
-
- Korrosjonsbetandig utførelse i rustfritt A2-stål og aluminium
- Flerkomponent-på-hverandre pluggbart system med skruefeste
- Flensplaten inkluderer kraftige festeankere
Flerkomponent-på-hverandre pluggbart system med skruefeste. Med flensplate inkludert kraftige festeanker.
Materiale og dimensjoner: Produsert i rustfritt A2-stål og aluminium, 6,0 meter lang, 3-deler, avsmalende Ø60 - 16 mm.
Flensplaten har tilkoblingspunkt for nedleder med Ø 8 - 10 mm.
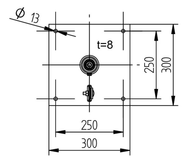
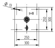
Flensplate, dimensjon: 300 x 300 mm.
Flensplate, hullmønster: 250 x 250 mm.
Hull: 4 x Ø13 mm.
Kraftige skrueankere: 4 x M12
Totalvekt: 24 kg.