Lynoppfanger V2A ALU 18m, 6-delt med flensplate
ELIT LOPV2A18MFP- Varenummer:
- 40150182
- EAN:
- 7070810034277
- Lynoppfanger i rustfritt A2-stål og aluminium 18,0 m med flensplate og kraftige skrueankere
-
- Korrosjonsbetandig utførelse i rustfritt A2-stål og aluminium
- Flerkomponent-på-hverandre pluggbart system med skruefeste
- Flensplaten inkluderer kraftige festeankere
Flerkomponent-på-hverandre pluggbart system med skruefeste. Med flensplate inkludert kraftige festeanker.
Materiale og dimensjoner: Produsert i rustfritt A2-stål og aluminium, 18,0 meter lang, 6-deler, avsmalende Ø168 - 10 mm.
Flensplaten har tilkoblingspunkt for nedleder med Ø 8 - 10 mm.
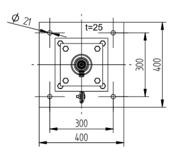
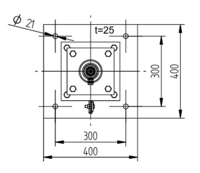
Flensplate, dimensjon: 400 x 400 mm.
Flensplate, hullmønster: 300 x 300 mm.
Hull: 4 x Ø21 mm.
Kraftige skrueankere: 4 x M20
Totalvekt: 206 kg.