Lynoppfanger V2A ALU 15m, 5-delt med flensplate
ELIT LOPV2A15MFP- Varenummer:
- 40150179
- EAN:
- 7070810034246
- Lynoppfanger V2A ALU 15m, 5-delt med flens plate
-
- Pluggbar flerkomponentmast i rustfritt stål
- Flensplate for montering på betongoverflate
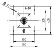
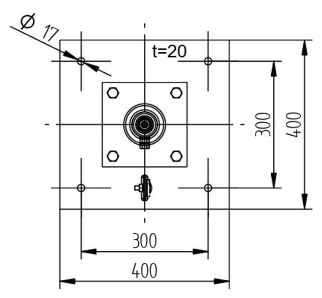
- Hullmønster for flensplate: 300x300 mm
- Kraftige ankere: 4x M16
Pluggbar flerkomponentmast i rustfritt stål med oppfangerspiss i aluminium, og flensplate for montering på betongoverflate. 5-delt. Total lengde = 15,0 meter. Totalvekt = 131 kg.
Hullmønster for flensplate: 300x300 mm
Kraftige ankere: 4x M16