Lynoppfanger V2A ALU 10m, 4-delt med flensplate
ELIT LOPV2A10MFP- Varenummer:
- 40150175
- EAN:
- 7070810034208
- Lynoppfanger i rustfritt A2-stål og aluminium 10,0 m med flensplate og kraftige skrueankere
-
- Korrosjonsbetandig utførelse i rustfritt A2-stål og aluminium
- Flerkomponent-på-hverandre pluggbart system med skruefeste
- Flensplaten inkluderer kraftige festeankere
Flerkomponent-på-hverandre pluggbart system med skruefeste. Med flensplate inkludert kraftige festeanker.
Materiale og dimensjoner: Produsert i rustfritt A2-stål og aluminium, 10,0 meter lang, 4-deler, avsmalende Ø90 - 10 mm.
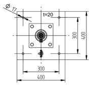
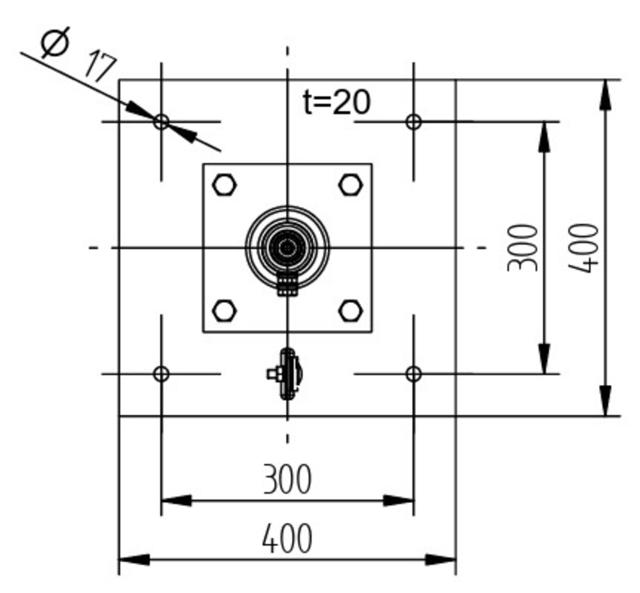
Flensplaten har tilkoblingspunkt for nedleder med Ø 8 - 10 mm.
Flensplate, dimensjon: 400 x 400 mm.
Flensplate, hullmønster: 300 x 300 mm.
Hull: 4 x Ø17 mm.
Kraftige skrueankere: 4 x M16
Totalvekt: 76 kg.