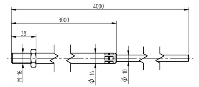
Lynoppfanger gjenget Alu 4m Ø16/10mm
ELIT LOFG-ALU-Ø16-10-4M- Varenummer:
- 40150230
- EAN:
- 7070810038947
- Lynoppfanger 4,0m Ø16/10mm med M16-gjenger og låsemutter
-
- Lynoppfanger med M16-gjenger og låsemutter DIN 439 M16 FZN
- Egnet for betongfundamenter med gjengeinnsats
- Produsert ihht. DIN EN 62561-2
Optimal lynoppfanger i aluminium AlMgSi 0,5 for beskyttelse av takkonstruksjoner.
Dimensjoner: Ø16 med M16-gjenger og oppfangerspiss Ø10 mm, 1 m lang.
Egnet for betongfundamenter med gjengeinnsats.
Med låsemutter DIN 439 M16 FZN.
Produsert ihht. DIN EN 62561-2.