• DETAIL36067 647723361
  • DETAIL36068 2070541832

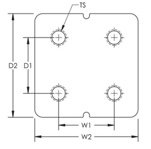
Jordingspunkt Ø120mm2 på brakett 4xM12

ELIT JP120-4XM12
Varenummer:
30120086
EAN:
7070810038749
Jordingspunkt Ø120mm2 på brakett 4xM12
  • Gir enkel tilgang til jordingspunkt etter støping
  • Enkel å montere mot forskaling og eksisterende armering
  • Gir et langvarig jordingspunkt med god elektrisk forbindelse
Ved å klikke på "Godta alle" samtykker du til at vi kan samle inn informasjon om deg for ulike formål, inkludert: Funksjonalitet, Statistikk og Markedsføring